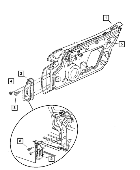
Front Door for 2008 Dodge Viper
No.
Part # / Description / Price
N/A
N/A
Latchandline Clip, Mounting
Mopar
Mopar Latch&line Clip
Brake Line to Frame. Door Handle Cable. 1 Way-Brake Line to Left Sill.
7
Hex Nut And Washer
Mopar
MSRP $17.15 CAD
Mopar M6x1.0. Flag Attaching. Instrument Panel Stack to Floor Brace. Left Heat Shield to Exhaust Manifold. Console to Floor. Floor Bracket to Floor.
10
Door Glass Belt Stabilizer
Mopar
MSRP $23.85 CAD
Mopar Includes Stabilizer #26, Bracket, Rivet. Includes item #9, Bracket, Rivet. Inner.
11
14
Hex Head Bolt, Mounting
Mopar
MSRP $13.25 CAD
Mopar Hex Head Screw And Washer
M6x1.00x20.00. M6x1x20. Mega Cab. Cylinder Block Heater. Block Heater to Block. Quad Cab. Regular Cab.
No.
Part # / Description / Price
3
Hex Head Screw And Washer
Mopar
MSRP $17.05 CAD
Mopar M8x1.25x35. Folding Top Attaching. Windshield Surround to Folding Top.


