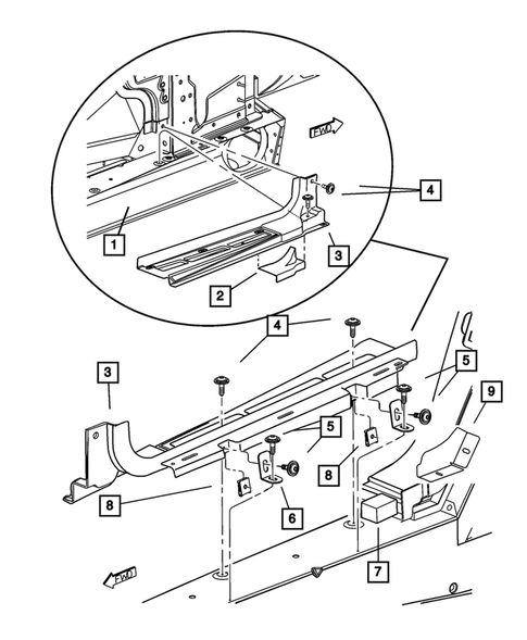
Aperture Panel and Pillar Supports for 2008 Dodge Viper
Mopar Foil Backed Seal Insulation
Quarter Paner to Exhaust. Quarter Panel To Exhaust.
Mopar Foil Backed Seal Insulation
Quarter Panel To Exhaust. Door Surround , Quarter Paner to Exhaust. Door Surround, Panel to Exhaust. Door Surround, Panel To Exhuster.
Mopar Torx Bolt
M6x1x18. Oil Pump Cover Attaching. Oil Pump Back Cover To Oil Pump. M6x1.00x18.00. Oil Pump Cover To Front Timing Case Cover.
Mopar Bolt
M6x1.00x30.00. Rear Oil Seal Retainer To Cylinder Block. Oil Pan To Rear Oil Seal Retainer. Rear Crankshaft Seal Retainer To Cylinder Block. Cylinder Head Tappet Gallery.
Mopar M6x1.00. Panel Attach. Amplfier Bracket Attaching. Water Shield Attaching. Lamp Quarter Attaching. Radiator Upper Crossmember to Closer Brace. S/Rf to Rf Rail & Rf Otr Pnl. Hood Latch Support Bracket.



